首页
服务领域
产品中心
返回
智能仪表
温湿度控制器
在线测温装置
开关状态指示仪
智能操控装置
电力监控系统
无功补偿系列
新闻资讯
合作伙伴
联系我们
中文
|
English
none
none
none
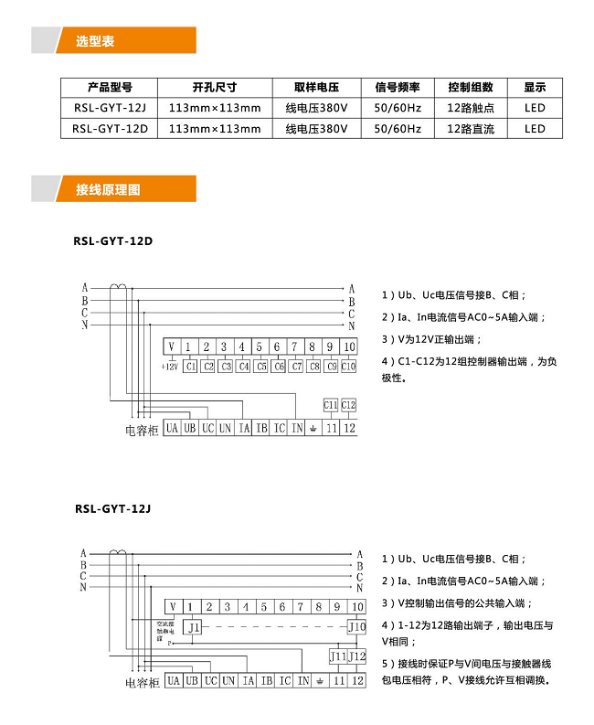
RSL-GYT智能无功功率补偿控制器
产品中心
>
无功补偿系列
>
RSL-GYT智能无功功率补偿控制器
1
RSL-GYT智能无功功率补偿控制器
产品详细
上一个: 没有了
下一个:
RSL系列智能无功功率补偿控制器